WAR CASUALTIES
By
Albert G. Love,
SECTION I.
An efficient medical service is essential to the military success of an army, not only in protecting the health of the troops by initiating proper sanitary measures, but also by insuring the return of sick and wounded men from the hospitals to their organizations as promptly as possible.
An adequate medical service is also of importance in maintaining the morale of any fighting force. One can easily visualize the difference in the mental attitude of two men going into battle, the one realizing that he will receive medical attention when required, while the other one knows that he may lie wounded on the battle field for many hours before he receives treatment.
In addition to the military necessity for an efficient medical service, the people in all modern, civilized, and well organized countries expect and demand that proper medical attention and adequate hospitalization shall be provided for the men in the military service. This is especially true in time of war, when armies must be composed of young men drawn from practically every family in the country.
Although the public is willing to pay for any amount of medical service which is essential for military success, and to properly care for the individual, yet it must be only so large as the necessity requires. To divert too much material and too many men from the other branches of the army for the medical service may jeopardize the military success of an expedition.
The answer to the question of "What is an adequate medical service" differs necessarily with each war plan, and its solution requires careful consideration and study. A number of factors must be considered, of which the following are especially important.
a. The size of the military force to be used and the number of recruits included. There is always more sickness among men when assembled in large numbers, and still more among recruits than among seasoned men.
b. The epidemiological condition of the population and of the territory to be occupied. More sickness will inevitably occur among troops operating under war conditions in a country with unfavorable health conditions, or in one with an unhealthy and over-crowded civil population than in the United States.
c. The military forces of the enemy, the character of his military weapons, and the possibilities as to the military defenses of his country are important. A careful study of these latter factors should assist one in making an approximate estimate of the relative number of wounded. Such an estimate is most important since a wounded man requires much greater and more prolonged care than a sick one.
If available statistics are systematically and carefully arranged and studied, the data may be helpful in solving the problem involved. The following study is an attempt in that direction. Before beginning the discussion of such data as may be presented, it is necessary to consider several general terms which will be used throughout.
B. TERMS USED AND CONSTANTS EMPLOYED.
1. Strength.---The strength of a command is the number of soldiers in that command. Since it varies materially from day to day, and especially so during periods of mobilization and demobilization, while the sick occur only among those present, it is necessary that we have an average daily strength for any period in question. The average daily strength is computed by adding together the strength of each day in a period, and then dividing the aggregate thus obtained by the number of days in the period, which obviously may vary from 2 to 365 or more days. Ordinarily, since military reports are furnished monthly, the strengths for the various days of the month are added, and the total is then divided by the number of days in the month to obtain an average daily strength for the month. The 12 such average strengths in the year are added and divided by 12 to find the average daily strength for the year. It is important to remember that the strength used in this study, is always an average daily one although it may be averaged for one day, for a week, a month, a year or more.
2. Causes of sickness and injury.---The causes of sickness and physical disabilities resulting therefrom and deaths are either diseases or injuries.
Injuries are subdivided into non-battle injuries and battle injuries.
a. Non-battle injuries occur either in peace or in war, from external causes other than the hostile act of a military enemy.
b. A battle injury or wound is one that is caused by a primary or secondary missile or by a deleterious gas set in motion by the hostile act of a military enemy. Wounds or injuries from projectiles dropped by airplanes many miles back of the front lines, or as a result of the sinking of a ship by a torpedo from a submarine, are properly included as battle injuries. Accidental injuries received while in action are not included under the head of battle injuries.
3. Place of treatment.---Cases of sickness and injury are further classified according to the place of treatment, as follows:
a. Hospital cases include the more seriously ill or injured, who are retained in hospital for treatment and consequently require hospital beds.
b. Quarters cases include the less seriously sick or injured, who require medical attention and are excused from the performance of all or part of their military duty, but remain in their quarters and hence do not require hospital beds.
c. Dispensary cases include the less serious cases of sickness or injury. They require medical attention, but their condition is not of sufficient gravity to necessitate their excuse from the performance of their military duties. Although such cases materially increase the work of the Medical Department as well as the amount of medical supplies required, they will not be included in the subsequent discussion. If, however, the total number of sick for whom medical supplies and attention must be provided should be desired, such data as are presented hereafter should be increased 50%(1).
4. Percentage of cases treated in hospitals and in quarters.
The percentage of cases which are treated in hospital or in quarters varies materially from time to time, and especially so during war as compared with peace. This is quite an important item, since it determines in part the number of hospital beds required. Fig. 1 shows the percentage of cases treated in hospital among troops in the United States before, during and since the World War; and also in hospital in Europe during that period.
Fig. 1.---Percentage of cases of diseases and nonbattle injuries treated in hospital.
Sources of information:a. United States:
(1) 1904--1915. (2)
(2) 1917--1919. Total cases as published.(3) Quarter's cases estimated from:(a) Average days lost by each quarter's case during 1904--1915 (2) (7.24) ; and
(b) the days lost in quarters in 1917. (2)(3) 1925--1927. Total cases as published. (2)Quarter's cases estimated from:
(a) Average days lost by each quarter's case during 1904--1915 (2) (7.24) and
(b) days lost in quarters during 1925--1927. (2)b. Europe in 1917---1919:
Estimated from: (a) Total cases in Europe as determined by the number of deaths there from diseases and nonbattle injuries, (3) and the fatality rate in the U. S. from the same causes during the same period (3) (Deaths--Fatality Rate = Cases) ; and (b) the hospital cases in Europe during the last six months of 1918. (2)
During the World War, although there were base hospitals in nearly all of the large camps in the United States, they were usually under different administrative control and were located some distance from the troop areas, hence probably the smaller percentage of cases treated in hospitals during that period, as compared with the prewar and postwar periods. In the Theatre of Operations in the American Expeditionary Forces, where the permanent hospital beds were still further removed from the troop area, the percentage of total sick sent to hospital was still smaller.
5. Admission rates.---Cases treated in hospital or quarters are officially reported to the War Department, but only local records are kept of dispensary cases. Each case treated in hospital or quarters is "Admitted to Sick Report", and hence is termed "Admission". Throughout the following discussion, the term "case" will be used as synonymous with "admission" and with "patient".
Before any comparisons can be made of the amount of sickness in the different commands, it is necessary to reduce the number of sick in each one to a common ratio of its strength. The unit of strength used might be the individual. The rates then would be so many cases per man, but this would necessitate the extensive use of decimals, which it is always desirable to avoid. Ordinarily in the United States Army the unit of strength used is 1000 men. Consequently, we speak of so many cases per 1000 strength. Thus, 1200 cases, or admissions, in a command of 2000 gives a rate of
1200 ÷ (2000 ÷1000) = 600 per 1000.
The admission rates must also show how many cases occur in each 1000 men during any specified time. The time period may be a day, a month, or a year. A day's rate is 1/365 as large as one for a year, and a month's rate is 1/12 as great as that for a year, and also 30 times as large as the one for a day.
It is important to note that the strength used is always an average daily one for the period, but that the admission rate increases in proportion to the length of the period just as the cases do. The following formulae show the method of computing admission rates per 1000 men:
Daily rate per 1000 =
Average daily strength
Day's cases X 1000
Day's cases ÷ --------------------------
= -------------------------
1000
Avg. daily strength
Monthly rate per 1000 =
Average daily strength
Month's cases X 1000
Month's cases ÷ --------------------------
= -------------------------
1000
Avg. daily strength
Annual rate per 1000 =
Average daily strength
Year's cases X 1000
Year's cases ÷ --------------------------
= -------------------------
1000
Avg. daily strength
Annual rates are used ordinarily in the discussion of military and public health statistics. If the period during which the cases have occurred is less than one year, they must be increased correspondingly. Thus, if we wish to calculate an annual admission rate for the cases which occurred during one week, they must be multiplied by 52 before the final computing is done, or if an exact figure is desired, by 365 ÷ 7
Annual admission rate per 1000 from one week's cases =
Week's cases X 52 X1000
-----------------------------
Average daily strength
Conversely, if one wishes to calculate an average daily admission rate from the aggregate cases of one month or of one year, they must be divided by 30 or 365 as required. Thus the average daily admission rate per 1000 from cases of one year is
Average daily strength
Year's cases X 1000
Year's cases ÷ --------------------------
= -------------------------
1000
Avg. daily strength X 365
Throughout this study, daily admission rates will be used.
6. Average days lost per case.---Since each day of sickness in hospital means that a man is absent from his duty and is using a hospital bed for that time, the duration of treatment is quite an important item. The method of calculating this factor is quite simple. The formula is:
Aggregate no. of days lost by all cases
Average days per patient =
---------------------------------------
Aggregate number of cases.
As with the admission rate per day, the average days per case may be for those of one day, one month, one year or more. If for one year the formula is:
Days lost by all patients in year
-----------------------------
=
Days lost per patient averaged for one year. Number of patients during year
Figs. 2 and 3 show the average days lost per patient (case) in different countries, at different times, and from different causes. In Fig. 2 the average is for the cases treated in hospital and quarters combined; but in Fig. 3, the data shows in addition, the average for each case of disease and non-battle injury in hospital only, in the United States and Europe during the World War, and also that for each gas case and gunshot case in hospital in the American Expeditionary Forces.
Fig. 2.---Average days of treatment per case of disease and nonbattle injury treated in hospital and quarters combined among white and colored American troops in different countries at different periods.Sources of information: 1904-1908. (2)
1920--1927. (2) The averages for the troops in the P. I., Hawaii, and Panama include only time lost while under the treatment there, and do not include the time lost after departure by cases sent back to the U. S.
NOTE: The average days per case of white soldiers in the U.S., 1925--1927, was 16.35.
One sees from Fig. 3 that the duration of treatment for a gunshot case was more than twice as great as it was for a gas one, which in turn was much more than that for a disease and non-battle injury case; and further that the average treatment time for each hospital case of disease or non-battle injury was longer in the American Expeditionary Forces than in the United States. The last mentioned fact was apparently the result of at least three factors:
Fig. 3.---Average days of treatment per case in the United States and Europe during the World War (April 1917-December 1919).Sources of information:
a. Diseases and nonbattle injuries:
(1) In hospital and quarters combined:
(a) United States. (3) (b) Europe: Total cases as estimated for Fig. 1, (b). Hospital cases as published,(3) slightly reduced to exclude quarter cases during 1917 (2) and the first six months of 1918,(2) as indicated by the experience during the last six months of 1918.(2) The difference between the total cases and hospital cases when multiplied by 7.24 (See Fig. 1, (a) (2) ) gives the estimated days for quarter's cases. These latter added to the number of days as published(3) give the estimated total days to be divided by the estimated total cases.
(2) In hospital only:
(a) United States. Estimated quarter cases multiplied by 7.24 (See Fig. 1, (a) (2) ) to find estimated quarter's days. This number subtracted from the total days(3) gives the estimated days in hospital only, which is then divided by the hospital cases (Total cases (3) estimated quarter cases) equals average days per case.
(b) Europe.(1)
b. Battle injuries in Europe.(3)
a. A smaller percentage of cases, and only those of a more serious nature and consequently of longer duration, were sent to the hospital in the American Expeditionary Forces.
b. The hospitals in the American Expeditionary Forces were a greater distance from the troop areas, and consequently patients were apparently less promptly returned to their organizations or to replacement depots.
c. To expedite the demobilization after the armistice many patients who had recovered were returned to the United States as sick. This resulted in an unnecessary loss of time in hospital for these cases and increased the average time lost by each one.
The longer treatment since the World War, as compared with that before, is due apparently to the more intensive hospital treatment which patients now receive.
7. Noneffective rates.---The noneffective rate shows the number of patients that, after several months accumulation of them, will be sick each day in a period, or as usually expressed "Constantly sick." It is always expressed as a daily rate for which the formula is:
Daily noneffective rate per 1000 strength =
Patient days
Average daily strength
Patient days X 1000
-----------------
÷ --------------------------
= -------------------------
Days in period
1000
Average daily strength X days in period.
Like the daily admission rate, it may be the average for one day, one week, one year, or more. If it is an average for one year, the formula is:
Daily noneffective rate per 1000 strength
Patient days during year
Average daily strength
Patient days during X 1000
-------------------
÷ --------------------------
= -------------------------
365
1000
Avg. daily strength X 365
Fig. 4 shows the relationship that exists between the average daily admission rate, the average days lost per patient, and the noneffective rate. This relationship is very important, for by its use we can determine the ultimate number of sick for any given admission rate, if the average duration of each case (which is more nearly constant than the admission rate) is known.
As an illustration of the use of this formula, let us take our experience with enlisted men in the United States during the World War, when the noneffective rate was 50.40.(3)
Fig. 4.---The relation of the noneffective rate to the average daily admission rate and the average days lost per patient.
Enlisted men, U. S., April, 1917---December, 1919.
Admissions 2,577,261 Average daily strength per year 766,726 Days lost during period 38,835,016 Days in period 1,005
2,577,261 X 1000
Daily admission rate = --------------------------
= 3.34466
766,726 x 1005
38,835,016
Days lost per patient = --------------------------
= 15.0683
2,577,261
Noneffective rate = 3.3447 x 15.0683
= 50.3989
Note:-All rates are per 1000 of strength.
Since the average duration of treatment includes days lost by cases of long duration as well as by those of short duration, the ultimate noneffective rate is obviously not reached until the cases with the longest treatment have left hospital. As will be shown later, the duration of treatment for cases of disease and nonbattle injuries varies from one day to approximately one year; for men wounded by war gases, from one day to approximately one year; and for gunshot battle injuries, from one day to 2.5 years. Consequently, the ultimate noneffective rate is not reached in cases of disease and nonbattle injuries until the end of one year after M day, and of gas and gunshot injuries not until one and two and one-half years, respectively, from the beginning of hostilities.
Since the noneffective rate is equal to the product of the average days per patient multiplied by the daily admission rate, it necessarily follows that with a theoretical daily admission rate of 1.00 per 1000 the noneffective rate would be equal to the average days per patient. Thus, if the daily admission rate in the United States during the World War had been 1.00 when the average days per sick case treated in hospital and quarters were 15.07, the corresponding noneffective rate would have been 15.07 (15.07 X 1); while in the American Expeditionary Forces with an average of 18.93 days per case, it would have been 18.93 (Fig. 3).
For cases treated in hospital only, for which the average days per case were 20.36 in the United States and 27.29 in the A.E.F., the corresponding noneffective rates with a daily admission rate of 1.00 per 1000 to hospital only, would have been 20.36 and 27.29 respectively (Fig. 3.)
These and other related facts are summarized in the following table.
Table 1. Percentage of cases treated in hospital with the average days per case and the corresponding noneffective rates when the admission rates are as assumed.a. (4) = (2) X (3)
b. (5) = (1) X (2)
c. (7) = (5) X (6)
C. ADMISSION RATES FOR TROOPS IN THE UNITED STATES.
Can any information be obtained from the vital statistical experience of the United States Army which will be helpful in determining approximate future admission rates under specified conditions? The answer is believed to be in the affirmative.
8. Decline since 1819.---To find what changes have occurred in the army admission rates in the United States since the beginning of our medico-military records, let us examine such data as are available. Fig. 5 shows the daily admission rates to hospital and quarters from nonbattle injuries, from diseases, and from both combined by periods from 1819 through 1927, a period of 108 years. It is apparent from this graph that, with the exceptions as noted below, there has been a very marked and steady decline in the admission rates from all causes during the periods of peace, the one in 1920-1927 being only one-fourth as great as that in 1839-1846, The first exception is that the one for each of the first two periods was lower than that for the third, which is probably to be accounted for by the incompleteness of the reports during the early years; the second is that a slight increase occurred in the rate for the period following the Spanish-American War over that for the one preceding it, due to conditions resulting from the war.
Fig. 5.---Daily admission rates to hospital and quarters combined from nonbattle injuries, diseases, and the two combined per 1000 strength, American troops, serving In the U. S., by periods from 1819 to 1927 inclusive. (1, 2, 3, 4, 5, 6, 7)
9. Increase during war.---Another important fact is that during war periods the general admission rate has always been much greater than the one for the preceding and succeeding periods, due to the marked increase in the number of cases of disease---at the same time an actual decline in the admission rate from non-battle injuries is noted.
10. Decline in succeeding war rates.---Although the reporting of cases during the Civil War was not nearly so complete as during the World War, the admission rate during the former was more than twice as great as that during the latter. The Spanish-American War rate was also much greater than that of the World War, notwithstanding the pandemic of influenza which occurred during the latter conflict.
11. Estimation of future admission rates for unseasoned troops.---Since there has been such a marked decline in the admission rates under both peace and war conditions, it is obvious that it would be unwise to go back farther than the World War period for experience to use as an indication of future medical requirements. If, then, the World War experience is used, what rate should be selected for a war army in the United States? The average daily admission rate to hospital and quarters of 3.34 per 1000 strength in the United States for the statistical period of the World War (April, 1917--December, 1919), is not a satisfactory one to use,(3) because it included the year 1919 when the troops who had been well seasoned by service in Europe were returned to the United States for demobilization. What is desired are the probable rates among unseasoned troops as they are mobilized in large numbers for war training. Probably the best experience is that of 1918, for during that year there was a constant inflow and outgo of a large number of men at the various training camps in the United States. If the epidemic influenza months of September and October are excluded, the average daily admission rate to hospital and quarters for the year was 3.50 per 1000.(3)
An average daily admission rate for the year, however, is probably not a satisfactory one upon which to base an estimate of the probable requirements of medical service, since many factors will cause variations above or below the average. Certainly no engineer would plan a bridge to carry only the average load. Similarly, in planning medical service, it would be unwise to base the expectancy upon an average rate. Unusually high rates which continue for only a few days, or those which occur from exceptional outbreaks of infectious disease, can hardly be provided for, but provision should be made for at least a reasonable variation above the average.
12. Causes of variations in admission rates in United States.
a. Season.---Fig. 6 shows that, after excluding September and October, the average daily admission rate of 3.50 to hospital and quarters in 1918 was exceeded in January, March, and April. If the average for the year had been used as an estimation basis, there would have been a shortage of hospital beds for the United States as a whole during the entire period of those three months; furthermore, these seasonal variations above the average for the entire United States do not show those which occurred in many camps, from factors other than seasonal. Figure 6 shows also the excess of the rates for unseasoned troops in 1918 over those for the peace time Army from 1.920 to 1927.
Fig. 6.---Daily admission rates to hospital and quarters from diseases and nonbattle injuries by months per 1000 enlisted men serving in the United States.(2)
b. Race.---Race is another material factor in causing variations in admission rates. Figure 7 shows that during peace there is more sickness among the white than among the colored troops, due apparently in part to the larger percentage of new enlistments among the white soldiers. Thus from 1923-1927, inclusive, 60 per cent of the white men enlisting had no previous service, while only 31 per cent of the colored enlistments were without it. The graph points out, however, that during the World War, when practically all recruits, both white and colored, were without previous service, the latter had 1.5 times as much sickness as the white ones.
Fig. 7.---Daily admission rates to hospital and quarters from diseases and nonbattle injuries per 1000 strength of white and colored troops by color, serving in the United States at different periods. (2, 3)
c. Nativity.---The region from which the recruits are drawn is also a very material factor in determining the amount of sickness. Fig. 8 shows the relative amount which occurred among the soldiers from various States, as compared with the average for the United States at 100. The white recruits from the Southern States had 56% more than the average, while those from the other States had 11% less.
Fig. 8.---Relative magnitude of admission rates to hospital and quarters from diseases and nonbattle injuries among men by nativity (native state) serving in the United States and Europe from April 1, 1917 through December 1919. (1)
These same data arranged by corps areas are shown by Fig. 9 which gives not only the variation in the combined rates for white and colored troops, but also that for the white men alone. The latter from the area of the present Fourth Corps (Southern states) had 59% more than the average amount of sickness, while those from that of the present Ninth Corps (Pacific coast and Rocky Mountains) had 39% less.
Fig. 9.---Relative magnitude of admission rates to hospital and quarters from diseases and nonbattle injuries by nativity (native state), arranged by Corps Areas, among white troops, and also among white and colored troops combined, who were serving in the United States and Europe from April 1, 1917 through December 1919. (1)
d. Camps.---The combined results of the various factors of race, nativity, season, overcrowding, etc., all of which affected the admission rates to hospital and quarters in the various training camps, are shown by Fig. 10. This graph shows not only the average daily admission rate for one year in each of 30 concentration camps, but also the average daily rate for the worst calendar month. The average daily admission rate in the United States of 3.50 to hospital and quarters (excluding September and October) was exceeded by the camp average in 14 of the 30 camps, and by the rate for the worst month in all of them except one. Clearly then, the average rate in the United States for the year would have been an unsatisfactory one upon which to base the expectancy of hospital requirements. A daily admission rate of 4.80, or an increase of 37 per cent over the average of 3.50, was exceeded by the maximum daily rate for the worst month in 21 of the 30 camps, and was almost equaled in one other. Apparently then, an increase of 37% to cover expected variations above the average rate would not be excessive for the United States as a whole, higher or lower rates being used locally depending upon the nativity and color of the troops (infra).
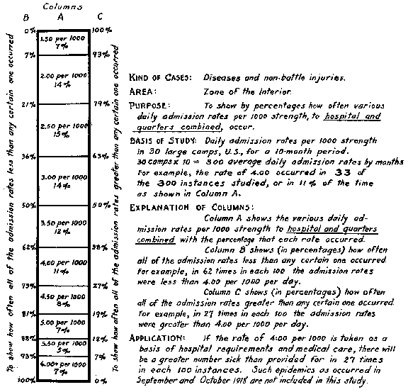
Fig. 10.---Daily admission rates to hospital and quarters from diseases and nonbattle injuries per 1000 strength, American troops in thirty large camps during 1918, excluding September and October. Also the maximum rate averaged for any one month in each camp, again excluding September and October.(3)
13. Admission rates in United States camps, 1918.---All of the 30 camps were in operation during the entire year of 1918. The minimum average daily strength in any one of them for any one month was approximately 8,000, and the maximum slightly over 50,000.(3) There was then sufficient population in each camp during every month to furnish reliable admission rates.
a. To hospital and quarters combined.----Fig. 11 shows how often the various daily admission rates to hospital and quarters combined averaged by months (excluding September and October) occurred in the 300 camp-months (30 camps X 10 months each). Thus there was a daily admission rate of 1.50 per 1000 in 7 per cent of the camp-months; 2.00 per 1000 in 14 per cent, and 4.00 per 1000 in 11 per cent, or in 33 camp-months. The average rate of 3.50 occurred in 12 per cent of the camp months, rates less than 3.50 in 50 per cent, and greater in 38 per cent of them.
One sees then that, if the average rate of 3.50 had been selected as a basis for estimating medical requirements, it would have been exceeded in 38 per cent (see right hand margin of Fig. 11) of the camp-months; that is, in 114 of the 300 camp-months there would have been more hospital sick than available hospital beds. Also, if an admission rate of 4.50 per 1000 had been so selected, there would have been a higher rate of sickness in 19% of the months, or 57 camp-months.
It is suggested that the admission rate of 4.80, or one 37% above the average 3.50 (see Fig. 10), be adopted as the basis for estimating the requirements for medical service and hospital beds for mobilization in the United States under similar circumstances. This rate occurred in 7% of the camp-months and a greater one in approximately 15% of them. Consequently, if we use 4.80 we will have provided for 85% of the probable monthly rates.
If the hospital beds required for such an admission rate (4.80 X 12.50 [Note: See Table 1] = 60.00 per 1000) are provided, and properly distributed to corps areas, there will usually be a bed for every sick or injured man in the training camps in the United States; the excess can be provided for by emergency beds. This estimate will also be sufficient to provide for dispersion of beds. It does not, however, include any provisions for the sick returning to the United States from any expeditionary area. For such an estimate see page 68.
Fig. 11.---Relative frequency of daily admission rates from diseases and nonbattle injuries to hospital and quarters combined per 1000 strength in 30 large camps in the United States during 1918, exclusive of September and October. (3)NOTE: For method of graduation see Fig. 77.
b. To hospital only.----Fig. 12 shows how often the various admission rates to hospital only (each one of which is 61.38% of the admission rate to hospital and quarters combined) occurred. If the requirements for hospital beds had been based upon an expected daily admission rate of 3.00 to hospital only, there would have been a deficiency of hospital beds in only 14% of the camp-months. We have suggested 2.95 to hospital, or the equivalent of 4.80 to hospital and quarters combined.
Fig. 12.---Relative frequency of daily admission rates from diseases and nonbattle injuries to hospital only per 1000 strength in 30 large camps in the United States during 1918, exclusive of September and October.NOTE: For method of graduation see Fig. 78. Hospital cases calculated from basic distribution Table 3 as 61.38% (Fig. 77,) of total cases.
c. Interrelation of admission and noneffective rates.---Fig. 13 shows for each admission rate to hospital and quarters, the equivalent one to hospital only, and the two corresponding noneffective rates. Thus when the admission rate to hospital and quarters is 4.00, the corresponding one to hospital only is 2.46, and the number ultimately sick is 60.28, of which 50.00 are in hospital, with 10.28 in quarters.
Example:
If the admission rate to hospital and quarters combined = 4.00
Then the admission rate to hospital only = 4.00 X. 61.38%* = 2.46
Also the sick in hospital and quarters = 4.00 X 15.07** = 60.28
And the sick in hospital only = 2.46 X 20.36** = 50.00
Or also the sick in hospital only = 4.00 X 12.50*** = 50.00
Then the sick in quarters only = 60.28-50.00 = 10.28.*Figure 1. **Figure 3. ***Table 1.
Fig. 13.---To show for each daily admission rate to hospital and quarters combined from diseases and nonbattle injuries in the Zone of the Interior (See Fig. 11), the corresponding rate to hospital only; and also the ultimate number of sick accumulating from each daily admission rate.NOTE: Column A is from Fig. 11. The rates in B, C, and D are calculated from the corresponding ones in A by multiplying by 61.38%, (see Fig. 1), 15.07, (see Fig. 3), and 12.50 (see Table 1), respectively.
D. ADMISSION RATES FOR OVERSEAS TROOPS.
14. Admission rates for seasoned and unseasoned troops.---There is not only more sickness among unseasoned than among seasoned troops, but also more sickness among seasoned troops living under war conditions than among such troops during peace. Fig. 14 shows the relative daily admission rates per 1000 men under three sets of conditions. The rate in the United States during the years 1920 to 1926, inclusive, (raised from 1.96 to 2.00 simply for convenience in calculating) is taken as a basis for the seasoned troops; the one for the army in Europe during 1918 (excluding September and October) for seasoned troops under war conditions; and that for the troops in the United States during the same period (excluding September and October) for unseasoned men.
Fig. 14.---A. Comparative daily , admission rates to hospital and quarters, from diseases and nonbattle injuries per 1000 strength, seasoned and unseasoned American Troops under peace and war conditions. (2)B. Also their approximate relative magnitude, as shown by the scale above, where the rate for seasoned troops in the United States under peace conditions is used as a standard at 100.
The, comparison here is really between partially seasoned troops and raw, green ones. Troops such as followed General Pershing on the Punitive Expedition into Mexico could more properly be called "seasoned".
15. Comparison of overseas and United States admission rates.---What experience can be used as a basis for estimating the probable, requirements for overseas expeditions? The experience in the Philippine Islands during the Insurrection, in China during the Boxer Rebellion, and in Cuba during the first and second interventions, might conceivably be used for such a purpose. Clearly though, it would not be logical to revert to the Spanish-American War or to the Civil War for experience upon which to base the present medical expectancy in the United States. With modern information in regard to the causes and methods for the prevention of many infectious diseases, there is little probability that we will have such rates as then occurred. Similarly, it is not reasonable to expect that there would be as much sickness among overseas troops as there was a number of years ago.
Can then the admission rates for troops in the United States be used as a basis for estimating those among American troops of the same character, who may be serving in other countries? If this can be done, the expected overseas rates can be lowered as improved sanitation and better knowledge of the causes and prevention of disease make it possible to reduce them in the United States. Let us then examine some comparative rates for United States troops serving in varied climates.
Fig. 15 shows the daily admission rates among American troops in the United States and certain overseas countries during three periods. It is apparent that there has been a very marked reduction in the admission rates in each of the countries in question. But, as the rate has declined in the United States, has there been a corresponding decline in the other countries? Or, in other words, is there any stability in their relative standing?
16. Relative standing of overseas and United States admission rates.---In answer to the question raised in the preceding paragraph, Fig. 16 shows the relative standing of the admission rates in Fig. 15. For each period, the rate in the United States is taken as a basis of comparison at 100, and the relative standing of the others computed therefrom. One sees that during the Philippine Insurrection there was almost 38 per cent more sickness in the Philippine Islands than among the troops in the United States at that time; from 1904-1908, approximately 30 per cent more; and from 1920-1926, an excess of almost 48 per cent. It is apparent that, although the relationship varies, there is always more sickness among American troops in the Philippine Islands than in the United States.
During the Boxer Rebellion in China there was 79 per cent more sickness in our expeditionary force than among the troops in the United States at the same time; and in 1920 to 1926, over 34 per cent more. From this one might reasonably infer that considerably more sickness would occur among troops in China than in the United States.
Fig. 15.---Daily admission rates to hospital and quarters from diseases and nonbattle injuries per 1000 strength American troops in different countries at different periods.(3)
Using Fig. 16 as a basis, an approximate average of the comparative standing of those rates is given in Fig. 17. Thus the approximate standing of the Philippine Islands is shown as 140, as compared with that of the United States at 100; whereas that of Europe is placed at 100 because it is assumed from the World War experience that among the same character of troops there would be no more sickness in Europe than in the United States.
Fig. 16.---Relative magnitude of admission rates to hospital and quarters from diseases and nonbattle injuries among American troops in different countries at different periods, compared with that in the United States during each period set as a standard at 100.NOTE: Calculated from Fig. 15.
17. Influence of climate on admission rates.---Using the countries named as a basis for estimating climatic influences, the lower part of Fig. 17 shows the relative amount of sickness which will probably occur in temperate and tropical countries, under favorable and unfavorable conditions, as compared with that in the United States. Thus it is assumed that in the conduct of warfare in the tropical zone, under the most favorable conditions, there will be 10 per cent more sickness than among the same kind of troops in the United States, and under unfavorable conditions, 40 per cent more. It is also assumed that in temperate zones under favorable conditions there would be no more sickness than in the United States; but, if the conditions are unfavorable, as they would be in a densely populated country with an unhealthy civil population, or where it is difficult or impossible to sanitate the area properly, the relative amount of sickness would be increased 30 per cent.
Fig. 17.---A. Approximate average relative magnitude of admission rates to hospital and quarters from diseases and nonbattle injuries among American troops in different countries under peace conditions, compared with that in the United States as a standard at 100.B. Also the estimated relative magnitude of such rates in war in different climates under favorable and unfavorable conditions.
NOTE: Estimated from Fig. 16.
18. Combined effect of seasoning of troops and of climate.---We can then consider four major factors in estimating the probable amount of sickness, and consequently the requirements for medical service in any overseas country. First, the peace or war conditions; second the amount of seasoning of the troops; third, the character of the climate; and fourth, the general possibilities of efficient sanitation. The combination of these factors (the first two as given by Fig. 14 and the other two by the lower section of Fig. 17), gives the result shown by the first section of Fig. 18.
Three rates are given for the United States in Fig. 18: (a) the first for seasoned troops under peace conditions; (b) the second for seasoned troops under war conditions; (c) the third for unseasoned troops under war conditions. These rates when varied according to climatic conditions (Fig. 17 A) give those shown in the next four bars.
But average rates cannot be used as a satisfactory basis upon which to estimate the requirements of a medical service. Consequently the average rates are increased 37% (Figs. 10 and 11). The results are shown in the second section (B). From the second section it is only a step to the third one, which is computed from the second by multiplying each of the daily admission rates to hospital and quarters combined by 12.50, or the average days in hospital for each such daily admission.
The average of 12.50 days in hospital for each case admitted to hospital and quarters combined is, however, less than our experience in the American Expeditionary Forces (15.28. See Table 1) and also less than can be expected in expeditionary forces. The actual increase in the admission rate to cover expected variations in terms of the American Expeditionary Forces experience is only 12% and not 37%; and is no more than is sufficient to provide for the dispersion of patients when all of the fixed hospitalization is in the rear areas.
Example:
Expected admission rate to hospital and quarters combined during war in a foreign country in a temperate climate and under favorable conditions .
=2.50If 2.50 is increased 37% (or to 137% ) it =3.42 3.42 X 12.50 (see Table 1, Col. 7) =42.75
But the average duration of treatment for expeditionary forces is longer than in the United States (see Fig. 3). Reversing then the process
42.75 ÷ 15.28 (see Table 1, Col. 7) = 2.80 2.80 ÷ 2.50 = 112%
The third section (C) of this graph emphasizes the undesirability of rushing unseasoned troops into a war area, and especially so if such area is sanitarily unfavorable. If military necessity demands it, the sacrifice must be made, but the probable cost should be recognized.
Fig. 18.---Daily admission rates to hospital and quarters and noneffective rates in hospital from diseases and nonbattle injuries per 1000 strength American troops serving in different countries under different conditions.NOTE: A. Calculated from Figs. 14 and 17. C. Calculated from B by multiplying each rate thereon by 12.50 (see Table 1.).
E. ADMISSION RATES FROM BATTLE CASUALTIES.
Many more days were lost from each case which was gassed in the American Expeditionary Forces than from each one of disease and nonbattle injury (Fig. 3); and more than twice as many days from each gunshot wound as from each gas casualty. Consequently, it is necessary to know what our experience shows in regard to the number of men wounded under various conditions, and as the result of various degrees of military resistance.
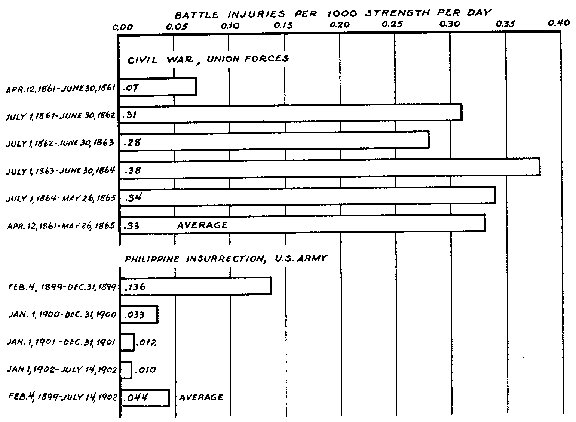
Fig. 19.---Daily admission rates from battle injuries per 1000 men in the Union Army during the Civil War; and also in the U. S. Army in the Philippine Islands during the Philippine Insurrection.Source of information: (a) Civil War.(3) (b) Philippine Insurrection.(2, 9)
19. Civil War and Philippine Insurrection.---Fig. 19 shows the daily admission rates per 1000 of the total strength during the various years and the entire period of the Civil War, and in like manner of the Philippine Insurrection. Since the character of future combat will probably be quite different from that which occurred during the Civil War, the data for that period are probably only of historical interest; but the average daily number of wounded during the Philippine Insurrection can be used as a basis to estimate the number of casualties to be expected under like conditions of warfare at the present time.
20. World War.---Fig. 20 shows the daily average number of wounded in the American Expeditionary Force: (a) by gas, (b) by gunshot missiles, and (c) by the two combined, arranged by months and by periods. The rates, which are based upon the total strength of the American Expeditionary Forces, probably furnish a very good basis upon which to estimate those for offensive and defensive military operations against a first-class military enemy, when there is the same ratio of combat troops to those in the total forces. For similar data for combat Divisions, Corps, and the First American Army, see pp. 106 to 123.
Fig. 20.---Daily admission rates from gas and gunshot missiles separately and combined, per 1000 men in the total American Expeditionary Forces by months and also by periods.(2)NOTE: The above admission rates are to hospital only.
The period from January 1 to April 30, was one of training in trench warfare. From May 1 to July 14 the training in trench warfare continued with some major active operations, including the Cantigny offensive and the Chateau Thierry defensive. From July 15 to September 25 there were the important offensives of the Marne, the Aisne-Marne and the St. Mihiel; also the first phases of the Somme, the Oise-Aisne, and the Ypres-Lys operations. From September 26 to November 11 the major offensive of the Meuse-Argonne occurred, in addition to the later phases of the Somme, the Oise-Aisne, the Ypres-Lys, and the Puvenelle attacks.(10) The greatest resistance was encountered during the first 15 days of the Meuse-Argonne drive, when the average number of wounded per 1000 of the total American Expeditionary Forces strength was 2.33 per day.
F. METHOD OF ESTIMATING THE CONSTANT INCREASE IN THE TOTAL SICK AND THE HOSPITAL POPULATIONS.
21. Basis of the method.---As shown by Fig. 4, the ultimate noneffective rate is the product of the daily admission rate multiplied by the average number of days lost by each case. Since the average days lost include those lost by cases remaining in hospital many days, as well as only a few days, it follows that for recently mobilized commands the ultimate noneffective rate is not reached until the completion of the treatment of the long duration cases, or approximately one year after M day.
It is necessary then to find how the noneffective rate increases, especially that part in hospital, before an estimate can be made of the probable requirements for medical service and of the number of hospital beds which will be needed for any command from time to time.
Those who are interested in the technical details of the process are referred to pages 133 to 167. Briefly stated, the noneffectives increase each day by the addition of the incoming sick to those remaining from previous days, and this increase continues until the number leaving equals the number coming on sick report. Fig. 21 shows how many of any day's admissions (as for example, those of M day) continue sick from day to day. The basic material for this graph is from the experience with the white enlisted men in the United States during the years 1925-1927, inclusive(2) when the daily admission rate to hospital and quarters combined was 1.8954 per 1000 men. One sees from the graph that the greater part of the cases leave the sick report in a very short time, and less than half of them are remaining at the end of the seventh day. At the end of 30 days, only .237 (1 in 8) of the original 1.8954 are remaining sick. Thereafter the cases leave more slowly, and a few remain at the end of one year's time.
Fig. 21.---Daily reduction during one half day and the entire day in the number of patients in a group admitted on any one day.NOTE: For basic formulae see Fig. 80, (1).
Fig. 22 shows how a sick population builds up. The admissions of each day are added to the number remaining from the preceding ones Thus on the first day after M day, the total sick consist of the day's admissions plus the number remaining from M (A) day. On the tenth day after M (A) day, the total sick is the sum of the number of men admitted that day plus those remaining from each of the preceding nine days and the M day.
The net increase in the total number of patients from day to day equals the remnant still remaining at that time from the original group admitted on M day. Consequently, the ultimate noneffective rate will not be reached until the last of M day's cases have been eliminated from the sick report, either by return to duty, by death, or by discharge for disability. After that time the number coming on sick report each day will be equalled by the number leaving it.
Fig. 22.---Showing how the total number of patients from diseases and nonbattle Injuries in the Zone of the Interior increase on each of ten days after mobilization begins (M day) when the daily admission rate is 1.895 per 1000. The letters A to K are used to designate each day's group of admissions (1.895) and the continually decreasing number of each individual group that remain sick from day to day.NOTE : For basic data see Fig. 21.
FOOT NOTE: A hospital, or sick, population continues to increase until the stabilization point (see p. 31) is reached because new cases are admitted each day. After a command is demobilized, no additional cases of diseases or nonbattle injuries will occur; and after military combat ceases no more battle casualties will be admitted. Thereafter then the hospital population will consist of cases remaining from the previous admissions until they all leave hospital.
Thus in Figure 22, if there were no admissions after the fifth day, the cases would be:
on the sixth day 7.96 ( 9.86--1.895) :
on the seventh day 7.12 (10.78--1.895--1.76).
In connection with Figure 28 (p. 41), let us assume that up to the ninetieth day, there is 1.00 admission per day from war gases, and that after that time there is: (a) No more admissions, and (b) that 0.50 cases are admitted each day. Then on the 120th day and thereafter the patients will be:

22. Total sick in United States.---
a. Daily admission rate to hospital and quarters of 1.8954 per 1000, during 1925-1927.---Continuing the study of the experience with the white enlisted men in the United States during the years 1925 to 1927, Fig. 23 shows graphically how the noneffective rate increases from day to day. The results are from the same basic process as illustrated by Figs. 21 and 22. Thus we start on M day with 1.8954 admissions to hospital and quarters and on the fifth day after M day (see also Fig. 22), the number of noneffectives in hospital and quarters is 8.85; on the tenth day, 13.16. The ultimate noneffective rate in hospital and quarters as shown by this graph is 30.69, and the one as calculated in the usual way by the formula on page 8 is 30.45.
Fig. 23.---Daily increase in the number of disease and nonbattle injury patients in hospitals and quarters in the United States, 1925 to 1927.NOTE: For basic formula see Fig. 80 (1).
b. Daily admission rate to hospital and quarters of 1.00 per 1000, during the World War.---Fig. 23 can be used as a basis in calculating the number of sick at any time with any given admission rate, but to do so would require the division of the noneffectives as calculated for any day by the basic admission rate of 1.8954. This can be done once for all, and the results be given on a unit basis. Then the ultimate noneffective rate is 16.35, which was the average days for each such case among white soldiers during 1925-1927. The upper line on Fig. 24 shows this reduced to 15.07 to conform to the 1918 experience in the United States, when the average days for each case in hospital and quarters was 15.07 (see Fig. 3). It shows the total sick on any day from M to 360, when the daily admission rate to hospital and quarters combined is 1.00 per 1000.
Fig. 24.---Daily increase in the number of disease and nonbattle injury patients in hospital and quarters, in hospital, and in quarters in the United States in 1918.NOTE: For basic formula see Fig. 80 (3).
Since 61.38% of the sick in the United States during the World War were treated in hospital, for 1.00 admission to hospital and quarters combined, 0.6138 was admitted to hospital only. The lower curve (Fig. 24) based upon that admission rate therefore shows the noneffectives in hospital only.
The graph can be used in calculating the number of sick and also of hospital patients to be expected in any command with any estimated basic admission rate to hospital and quarters combined, provided the average duration of treatment remains approximately the same. The difference between the noneffectives shown on the upper line as total sick, and those on the lower line as sick in hospital, represents the sick in quarters.
Example: In a command of 10,000 men with an average daily admission rate to hospital and quarters of 3.50 per 1000, the sick on the 90th day would be
Sick in hospital and quarters =
13.78 (upper curve) X 3.50 X (10,000 ÷ 1000) = 482.3Sick in hospital only =
11.35 (lower curve) X 3.50 X (10,000 ÷ 1000) = 397.3Sick in quarters = 482.3--397.3 = 85
It is assumed here that 61.38%/ of the admissions to sick reports are treated in hospital. Consequently, the 85 patients in quarters represent the accumulation from 38.62% (100.00%--61.38%) of 1.00 case each day.
It may be decided that 70% of all cases will be treated in hospital, and only 30% in quarters. Then the accumulation of patients in quarters can be determined as follows:
85: 38.62 :: X : 30.00
X = 66 patients in quarters when 30% are treated there.The hospital patients under the conditions as above are:
482.3--66 = 416.3c. Noneffectives in hospital in an increasing command.---To illustrate the use of Fig. 24, when there is an increasing command, let us assume that it is necessary to find the number of hospital beds required at 15 day intervals for a command, which after starting with 10,000 men on M day increases by 10,000 every 15 days. Let us also assume that the daily admission rate to hospital and quarters combined is 3.50 per 1000, as it was in the United States during 1918 (Sept. and Oct. excluded).
The detail work is shown by Fig. 25. The data (third line) from the lower curve, Fig. 24, when multiplied by the assumed rate of 3.50, give the patients in hospital (fourth line) under the conditions as stated. The most rapid increase in the number sick in hospital occurs during the early weeks because the patients coming in during that period greatly exceed those going out of hospital. Each 15 day group of men must then establish its own flow of patients in and out of hospital as has been done by the preceding group; and each succeeding group has 15 days less to establish its hospital population. Then after 180 days, the first 10,000 will have a hospital population of 431 (Fig. 25, last column, fifth line) accumulated during 180 days, whereas the 10,000 that report on the 180th day have only the one day's hospital sick, or 21.
Fig. 25.---A method of computing the number of hospital patients in a Zone of the Interior command which is increasing 10,000 each 15 days, when the daily admission rate to hospital and quarters combined is 3.50 per 1000, as it was in the U. S. in 1918 (excluding September and October).
The total beds, required at the end of each 15 day period, by all men then in camp, are shown on the bottom line.
The total patients, including those treated in quarters, can be calculated in like manner by using the data on the top curve of Fig. 24.
23. Sick in hospital only in United States during the World War. As shown by Fig. 3, the average number of days spent in hospital in the United States by each case admitted thereto in 1918 was 20.36. One sees from Fig. 26 how the number of patients in hospital increases from 1.00 to 20.36, when the daily admission rate to hospital only is 1.00 per 1000.
For method of estimating the number of patients with a diminishing admission rate see page 33.
The noneffectives in hospital at any time can be calculated from either Fig. 24 or Fig. 26; (a) by multiplying in the first instance by the admission rate to hospital and quarters combined, and (b) in the second by the one to hospital only.
Fig. 26.---Daily increase in the number of disease and nonbattle injury patients in hospital only in the United States, 1918.NOTE: For basic formula see Fig. 82, (2). When using this graph, the admission rate to hospital equals 16.38% of the admission rate to hospital and quarters.
Example: When Fig. 24 is used, the data on the bottom curve, showing the patients in hospital at any time, when the daily admission rate to hospital and quarters combined is 1.00 per 1000, is multiplied by the assumed daily admission rate to hospital and quarters combined. It answers the question: How many patients will there be in hospital on the 90th day after M day, when the daily admission rate to hospital and quarters combined is 3.50 per 1000 and the strength is 10,000?
Then 11.35 (bottom curve, Fig. 24) X 3.50 X (10,000 ÷ 1000) = 397.3
Fig. 26 answers the question: How many patients will there be in hospital on the 90th day after M day, when the daily admission rate to hospital is 2.15 (61.38% of 3.50) per 1000, and the strength is 10,000?Then, 18.49 (Fig. 26) X 2.15 X (10,000 ÷ 1000) = 397.5
24. Hospital patients in the American Expeditionary Forces.
a. Disease and nonbattle injury patients.---As shown by Fig. 3, the average days lost by each hospital patient sick from disease or nonbattle injury in the American Expeditionary Force was 27.29. Fig. 27 shows how the number of patients in hospital increases from 1.00 patient on M day to 27.29 on M plus 360 days.
A curve to show the total sick from disease and nonbattle injury in the American Expeditionary Force, similar to the one for the United States (top curve, Fig. 24), can not be constructed because there are no experience data available.
When Fig. 27 is used, an admission rate to hospital only similar to the one that occurred in the American Expeditionary Force must be computed; i. e., any admission rate to hospital and quarters combined must be reduced to 56% of the total instead of to 61.38% as in the United States. Thus with a daily admission rate of 3.50 per 1000 to hospital and quarters combined in a command of 10,000, the hospital sick on the 90th day would be
25.08 (Fig. 27) X 1.96 (56% of 3.50) X (10,000 ÷1000) = 491.6
This number in hospital is much greater than the 397.5 in the United States under similar conditions (supra). Some of the probable reasons are given on pages 7 and 8.
If it is assumed that the duration of treatment in the American Expeditionary Force was too great and that the average time lost by such cases could be reduced by better administration, the curve can be lowered proportionately. Thus, if we feel that the average duration of such cases can be reduced to 24 days and we require the data for the 90th day, then,
27.29 : 24 :: 25.08 : X
X = 22.06Then the hospital sick on the 90th day under the conditions as stated above would be:
22.06 X 1.96 (56% of 3.50) X (10,000 ÷ 1000) = 432.4
This excess, over the figures for the United States, is probably no greater than would be necessary, due to the greater distance of the hospitals for any expeditionary force from the troop area, battle front, etc.
Fig. 27.---Daily increase In the number of Theater of Operations hospital patients admitted from diseases and nonbattle injuries.NOTE: For basic formula see Fig. 84, (1), p. 151. When using this graph the admission rate to hospital equals 56% of the admission rate to hospital and quarters.
b. Gas patients.---One sees from Fig. 3, that the average days lost by each gas patient was 41.77. With a theoretical daily admission rate of 1.00 per 1000 from gas injuries there would be 22.24 patients in hospital on the 30th day; 40.74 on the 150th day, etc. (Fig. 28). The method of application is similar to that for the preceding graph. Thus the numbers shown for the patients in hospital are multiplied by the anticipated admission rate, and then by the number of men in thousands in the command. Admission rates for gas patients, and also for gunshot patients (Fig. 20), are to hospital. For method of estimating the number of patients with a diminishing admission rate see p. 33.
Example: In a command with an average daily strength of 100,000 and with an average daily admission rate from war gases of .35 per 1000, how many patients would be in hospital after 90 days of fighting!
Then, 37.30 (Fig. 28) X .35 X (100,000 ÷ 1000) = 1306.
Fig. 28.---Daily increase in the number of Theater of Operations hospital patients admitted for wounds by war (poisonous) gases.NOTE: For basic formula see Fig. 87, (a).
c. Gunshot cases.---Again referring to Fig. 3, it is noted that the average days per case for each gunshot injury in the American Expeditionary Forces was 94.84. With a theoretical admission rate of 1.00 per 1000 per day, we would then expect the ultimate noneffective rate to be 94.84 X 1.00 = 94.84. From Fig. 29, it is apparent that the ultimate noneffective rate is not reached until the 920th day, because of the long duration of cases of compound fractures of the long bones and other serious wounds.
The daily admission rate from gunshot wounds during the Meuse-Argonne offensive was 1.10 per 1000 men in the total American Expeditionary Forces. With such a rate in a command of 150,000 men, the number of gunshot wounded patients in hospital on the 150th day would be.
75.89 (Fig. 29) X 1.10 X (150,000 ÷ 1000) = 12,522 patients.
Fig. 29.---Daily increase in the number of Theater of Operations hospital patients admitted for wounds by gunshot missiles.NOTE: For basic formula see Fig. 88, (a), (1).
d. Gas and gunshot cases.---Although separate graphs for gas and gunshot wounds are much more useful as a basis for estimating medical requirements (since there is but slight possibility that they will occur again in the same proportion as in the American Expeditionary Forces), one based upon the experience there may be of interest. This is exhibited in Fig. 30, which indicates how the number of patients wounded by gas and gunshot, when admitted in the same proportions as they occurred in the American Expeditionary Forces, increases from day to day.
Fig. 30.---Daily increase in the-number of battle injury cases in hospital in the American Expeditionary Forces in 1918.NOTE: For basic data see Figs. 28 and 29.
Example: In a command with an average daily strength of 100,000 and with an average daily admission rate of 1.25 per 1000 from war gases and gunshot wounds combined in the same proportions as in the American Expeditionary Forces, how many patients would there be in hospital from these causes on the 120th day?
Gas patients =
12.48 (lower curve) X 1.25 X (100,000 ÷ 1000) = 1560Gunshot patients =
47.11 (middle curve) X 1.25 X (100,000 ÷ 1000) = 5889Gas & Gunshot patients =
59.59 (upper curve) X 1.25 X (100.000 ÷ 1000) = 7449The percentage of the command in hospital would be,
7449 ÷ 100,000 = 7.45%.e. Hospital cases from all causes in the American Expeditionary Forces.---Fig. 31 demonstrates how hospital patients accumulate under such conditions as existed in the American Expeditionary Forces from July 1 to November 11, 1918. One sees again the importance of battle injuries when converted into requirements for hospital beds. Starting out with a theoretical admission rate of 1.65 per 1000 from diseases and nonbattle injuries, and with only 1.00 per 1000 per day from gas and gunshot wounds combined in approximately the same proportions as they occurred in the American Expeditionary Forces, the number of patients of the last named group exceeded those of the first named one in less than 45 days. At the end of one year there would have been only 45.03 per 1000 from diseases and nonbattle injuries as compared with 76.75 from battle wounds.
The curve shows approximately 105.00 per 1000, or 10.50%, in hospital at the end of 130 days after July 1, or. about November 11. At that time there were between 9.0 and 10.0 per cent of the command in hospital in the American Expeditionary Forces, in addition to a number who had been transferred to the United States and then occupied hospital beds either in the United States or on ships enroute thereto.
After one year of such experience, as the American Expeditionary Forces had in the Meuse-Argonne offensive, the number of hospital patients in each 1000 men would be as follows:
Disease and nonbattle injury patients = 27.29 (Fig. 27) X 1.65 X (1000 ÷ 1000) = 45.03 Gas patients = 41.77 (Fig. 28) X .45 (Fig. 20) X (1000 ÷ 1000) = 18.80 Gunshot patients = 92.82 (Fig. 29) X 1.10 (Fig. 20) X (1000 ÷ 1000) = 102.10 Total patients
= 165.93 The 165.93 per 1000 strength would be the actual number of patients in hospital; and if only 10% is added for the dispersion of patients, the number of beds required would be 182.52 per 1000, or 18.25%, of the total strength of a force organized with the same proportion of combat and communications zone troops as the American Expeditionary Forces.
Fig. 31.---Daily increase in the total number of American Expeditionary Forces patients in hospital in 1918.NOTE: For basic data see Figs. 27 and 30.
25. Disposition of Zone of Interior cases in the United States.---After mobilization day in the Zone of the Interior, and the beginning of operations or of military combat in the Theatre of Operations, the number of patients in hospital in either area gradually increases until the outflow low of men from the hospital equals the inflow low (Figs. 23-31).
A large proportion of the patients who enter the hospital from day to day will recover and will be available again for military duty. A much smaller percentage of cases, who also recover after a more prolonged stay in hospital, will be incapacitated for further military duty on account of a physical disability or chronic disease; still others will die in hospital.
Fig. 32 shows the constant changes among patients admitted to hospital in the United States in 1918. Thus, 30 days after any group was admitted, 19.69% were in hospital. 76.25% had returned to duty, 2.41% had died, and 1.65% had been discharged as disabled. At the end of one year, only 0.02% were in hospital, 93.72% had returned to duty, 2.63% had died, and 3.63% had been discharged as disabled. Most of the deaths occurred during the first few weeks of treatment, but the majority of the disability discharges were later. The deaths and discharges referred to here include only those which occurred among patients in hospital.
26. Disposition of Theater of Operations cases in the American Expeditionary Forces.---Figs. 33-37 show the continuous change in the American Expeditionary Forces. Thus, transfer to the United States was an American Expeditionary Force disposition, even though such patients remained under treatment after leaving there.
Table 2.--Disposition of any one group of American Expeditionary Forces patients in the American Expeditionary Forces during one year following admission.Fig. 32.---Continuous change in the status of disease and nonbattle injury patients in the United States.
NOTE: For basic formulae see:
Remaining in hospital, Fig. 82, (3).
Deaths in hospital, Fig. 93, (1).
Discharges for disability in hospital, Fig. 94, (1).
Patients returned to duty equals difference between 100% and the sum of the three above.Fig. 33.---Continuous change in the status of disease and nonbattle injury hospital patients while in the American Expeditionary Forces.
NOTE: For basic formulae see:
Remaining in hospital, Fig. 86, (3)
Return to duty, Fig. 90, (1),
Deaths in hospital, Fig. 96, (3),
Patients sent to the Zone of the Interior equals difference between 100% and the sum of the three above.Fig. 34.---Continuous change in the status of gas patients while in the American Expeditionary Forces.
NOTE: For basic formulae see:
Remaining in hospital, Fig. 87, (b), (2).
Return to duty, Fig. 91, (1).
Deaths in hospital, Fig. 97, (3).
Patients sent to the Zone of the Interior equals difference between 100% and the sum of the three above.Fig. 35.---Continuous change in the status of gunshot patients while in the American Expeditionary Forces.
NOTE: For basic formulae see:
Remaining in hospital, Fig. 88, (b), (2).
Return to duty, Fig. 92, (1).
Deaths in hospital, Fig. 98, (3).
Patients sent to the Zone of the Interior equals difference between 100% and the sum of the three above.Fig. 36.---Continuous American Expeditionary change in the status of gas and gunshot patients while in the American Expeditionary Forces combined in the same proportion as they occurred there.
NOTE: For basic data see Figs. 34 and 35.
Fig. 37.---Continuous change in the status of hospital patients, while in the American Expeditionary Forces, admitted for all causes and in the same proportions as in the American Expeditionary Forces.
NOTE: For basic data see Figs. 33, 34, and 35.
27. Total duration of treatment of Theater of Operations cases.---Figs. 33-37 show, among other items, the percentage of Theater of operations cases remaining under treatment in the American Expeditionary Forces after various periods of treatment. But the treatment of some of the cases which were sent to the Zone of the Interior (United States) continued after transfer from the American Expeditionary Forces. Consequently the total duration of treatment was greater than that shown by Figs. 33-37, which include only time spent in the American Expeditionary Forces. The total duration of treatment of American Expeditionary Forces cases is shown by Figs. 38-40. These graphs are so closely associated with the question of the treatment of Theater of Operations cases, both there and in the Zone of the Interior, that they are discussed in connection with that subject.
H. HOSPITAL CARE OF THEATER OF OPERATIONS PATIENTS IN THEATER OF OPERATIONS AND IN THE ZONE OF THE INTERIOR.
28. Character of patients to be sent to the Zone of Interior.---Hospital patients in the Theater of Operations who are permanently incapacitated should be returned to the Zone of the Interior as promptly as the interests of the patients and the military situation will permit. Thus patients with pulmonary tuberculosis, those who are mentally unsound, and those who have such definite surgical disabilities as deformed or amputated limbs, often can be classified as disability cases very soon after entering hospital; while in other cases a more extended period of observation will be necessary before the ultimate results of treatment can be determined.
The return of patients to the Zone of the Interior reduces the hospitalization requirements in the Theater of Operations but correspondingly increases them in the Zone of the Interior. Inadequate hospital facilities, the scarcity of material from which they can be provided, proximity to the Zone of the Interior, or other reasons may make it necessary or desirable to send to the Zone of the Interior patients who may be returned to duty eventually. Usually this will be undesirable from a military viewpoint because patients returning to duty from hospital are trained replacements, and a temporary or permanent replacement must be supplied for every man who is sent. away from the Theater of Operations. Even when the lines of communication are open and the distance between the Zone of the Interior and Theater of Operations is not great, unnecessary time is lost when potential duty cases are sent to the Zone of the Interior, and then returned to the Theater of Operations. The nearer the hospitals are to the troop area, the less will be the average time lost by each hospital case. In addition to the unnecessary loss of time in transit to and from the Zone of the Interior, there is also always a probability that many patients who completely recover after return to the Zone of the Interior will never return to the Theater of Operations, or that their return will be greatly delayed.
To insure then that all Theater of Operations patients who recover will return to organizations there as promptly as possible, hospital facilities should be provided for as large a percentage of cases as practicable, and these hospitals should be as near to the active troop areas as the military situation will permit.
The unnecessarily high percentage of cases returned to the Zone of the Interior from the American Expeditionary Forces was due largely to the return of many recovered patients after the Armistice, who would ordinarily have been retained for duty in the Theater of Operations. If it is desired to conserve the man power in the Theater of Operations our experience indicates that it will not be necessary to return to the Zone of the Interior, more than 3% of the cases of diseases and nonbattle injuries, 6% of those wounded by war gases, and 20% of those wounded by gunshot missiles. These percentages would be sufficient to cover the physically disabled and also the recovery cases requiring prolonged treatment, provided that the men sent to the Theater of Operations are selected physically. Obviously all physically unfit men who are sent to the Theater of Operations will have to be returned to the Zone of the Interior. Thus during the years 1923-1927, when the men for overseas duty were not selected so carefully as during the World War, 3.5% of all overseas disease and nonbattle injury hospital patients were eventually discharged as physically disabled, as compared with 2% of the American Expeditionary Forces hospital cases. The percentage of such cases from the American Expeditionary Forces who were eventually discharged in the United States were: Diseases and nonbattle injury, 2%; gas wounded, 4% ; and gunshot wounded, 15%.
29. Duration of hospital treatment of Theater of Operations patients.---
a. Disease and nonbattle injury patients.
(1) Percentage remaining in hospital.-As shown by Fig. 38, of the American Expeditionary Forces cases admitted for diseases and nonbattle injury, 47.39% remained in hospital more than 15 days either there or in the United States; 28.26% more than 30 days; and 12.39% more than 60 days.
(2) Relation to hospital beds required in Theater of Operations and in Zone of the Interior.---This graph answers the questions: (a) What percentage of patients remain beyond a certain time, and (b) at what time is there a certain percentage of patients remaining in hospital? Thus on the 90th day of treatment 5.70% of the patients are remaining; similarly 9% of all patients are remaining on the 72nd day of treatment.
The number of hospital beds required in the Theater of Operations and in the Zone of the Interior, when a certain percentage of the Theater of Operations admissions are returned to the Zone of the Interior, can be determined from Figs. 27 and 38. Thus if 3% of the admissions from diseases and nonbattle injuries are so returned, all cases averaging more than 115 days will be included (Fig. 38). This means then that the hospital curve in the Theater of Operations (Fig. 27) will become stabilized at that time, for all cases averaging longer will be sent to the Zone of the Interior. Fig. 27 shows that on the 115th day the hospital curve has reached 26.13 patients per 1000 men. This then is the number of patients to be treated in the Theater of Operations and the difference between 26.13 and the total hospital cases under these assumed conditions (27.29) must be provided for in the Zone of the Interior (1.16).
Similarly if 6% of admissions for diseases and nonbattle injuries are to be returned to the Zone of the Interior, all cases averaging more than 88 days will be transferred, (Fig. 38) on which day the hospital curve has reached about 24.95 patients (Fig. 27). The difference between 27.29 and 24.95, or 2.34, must be provided for in the Zone of the Interior.
Fig. 38.---Duration of treatment both in the Theater of Operations and Zone of the Interior of Theater of Operations disease and nonbattle injury patients.NOTE: For basic formula see Fig. 84, (2).
b. Gas patients.---Fig. 39 shows what percentage of one day's group of gas patients are remaining in hospital at different periods of time. The average duration of each case of disease and nonbattle injury in the American Expeditionary Forces was 27.29, and of each gas case 41.77 (Fig. 3). Consequently during the first few months a larger percentage of each day's gas cases, than of disease and nonbattle injury ones, remain in hospital. Thus at the end of 30 days there is 46.50% (Fig. 39) of gas cases remaining, as compared with 28.26% (Fig. 38) of those of disease and nonbattle injury; and at the end of 60 days, 21.96% of the former, and 12.39% of the latter.
Fig. 39.---Duration of treatment both in the Theater of Operations and Zone of the Interior of Theater of Operations gassed patients.NOTE: For basic formula see Fig. 87, (a), (2).
Graduated points for the first 90 days altered very slightly to agree with results on Fig. 34.
If 6% of gas admissions are sent to the Zone of the Interior, all cases averaging more than 115 days will be included (Fig. 39). Turning to Fig. 28, one sees that on that day the hospital curve reaches 39.35 gas patients. This then is the number to be provided for in the Theater of operations under the assumed conditions, and 2.42, or the difference between 41.77 and 39.35, in the Zone of the Interior.
c. Gunshot patients.---The percentage of one day's group of gunshot cases remaining in hospital at different time intervals is shown by Fig. 40. It appears from Fig. 3 that the average duration of each gunshot case in the American Expeditionary Forces was 94.84 days, as compared with 41.77 for each gas case. Consequently a larger percentage of any one group of gunshot cases are remaining at each time interval. Thus at the end of 30 days, 66.00% (Fig. 40) of the gunshot admissions are remaining, as compared with 46.50% (Fig. 39) of the gas cases, and 28.26% (Fig. 38) of the disease and nonbattle injury ones. Similarly at the end of 60 days, 45.05% of the gunshot cases, 21.96% of the gas cases, and 12.39% of the disease and nonbattle injury admissions are remaining.
Fig. 40.---Duration of treatment both in the Theater of Operations and Zone of the Interior of Theater of Operations gunshot patients.NOTE: For basic formula see Fig. 88, (a), (2).
Graduated points for the first 105 days altered slightly to agree with results on Fig. 35.
If, as previously suggested, 20% of all gunshot admissions are sent to the Zone of the Interior, all cases averaging more than 151 days will be so transferred. Turning to Fig. 29 it appears that on that day the hospital curve reaches approximately 76.07 patients. This then is the number to be provided for in the Theater of Operations and the difference between 94.84 and 76.07, or 18.77, must be cared for in the Zone of the Interior.
30. Percentage of Theater of Operations patients sent to the Zone of the Interior in relation to hospital beds required in each area.---It obviously would be impracticable to adhere rigidly to a program of sending any definite percentage of Theater of Operations cases of various kinds to the Zone of the Interior, but if the effort is made to conserve the strength of the military forces in the Theater of Operations by providing a sufficient number of hospital beds there and by returning to the Zone of the Interior only such cases as will be physically unfit for further military duty, or whose treatment will be unduly prolonged, the percentage suggested can be approximated. To repeat, this means the return to the Zone of the Interior of 3% of all admissions for diseases and nonbattle injuries, 6% of all those wounded by gases, and 20% of all wounded by gunshot missiles.
Of the cases transferred to the Zone of the Interior, some will remain in hospital, while others will be disposed of by return to duty in the Zone of the Interior, discharge for disability, or death.
a. Disease and nonbattle injury patients.----Fig. 41 shows (upper curve) the total number of Theater of Operations patients, sick from disease and nonbattle injuries in hospital at different intervals of time, when 1.00 per 1000 strength is admitted each day. It also shows how many of such patients are in hospital in the Theater of Operations and also in the Zone of the Interior when 9%, 6%, or 3% are returned to the Zone of the Interior for treatment. . For the purpose of this study all cases are counted as in the Zone of the Interior as soon as they leave the Theater of Operations, and the number of beds required in the Zone of the Interior for Theater of Operations cases includes those occupied on troop ships.
Under each set of conditions, the number of patients in the Zone of the Interior is necessarily the difference between the total number and those remaining in the Theater of Operations. From these data it is easy to calculate like data for any similar set of conditions. Thus, suppose it is decided to return to the Zone of the Interior all cases of diseases and nonbattle injuries averaging more than 60 days in hospital. Turning to Fig. 38 we find that this will include 12.39%, of all such admissions, which is the percentage remaining on that day. From Fig. 27 we see that on the 60th day the hospital curve has reached 22.49 patients, which is the number to be treated in the Theater of Operations under the assumed set of conditions, and the difference between 27.29 and 22.49, or 4.80, is the number to be cared for in the Zone of the Interior.
Fig. 41.*---Number of Theater of Operations patients from disease and nonbattle injuries in hospital in the Theater of Operations and Zone of the Interior, when certain percentages of the Theater of Operations admissions are sent to the Zone of the Interior.*NOTE: For basic formula see:-
(a) Total patients in hospital, Fig. 84, (1).
(b) Patients in hospital in American Expeditionary Forces (Theater of Operations) only, when 9% are sent to the Zone of the Interior, Fig. 86, (2),.
(c) Patients in hospital in American Expeditionary Forces (Theater of Operations) only, when 3% or 6% are sent to the Zone of the Interior, calculated from (a) and (b).
(d) Patients in hospital in Zone of the Interior only are the differences between total patients (a) and those in Theater of Operations (b) and (c).
To calculate the number of beds required at different periods in each area, find the number of times that 3% is contained in 12.39% ; i.e., the percentage remaining in hospital on the 60th day, and multiply the data for the 3% assumption (Fig. 41) by the quotient (12.39 ÷ 3 = 4.13). The following table shows the calculation in detail:
Table 3.---Disease and nonbattle injury Theater of Operations patients in hospital at the end of each month, when the daily admission rate is 1.00 per 1000 total American Expeditionary Forces strength; the number of those in hospital in the Zone of Interior, when either 3% or 12.39% of all admissions are sent there; and the number in the Theater of Operation hospitals when the latter percentage has been transferred.
The differences between the ultimate numbers calculated as in the Theater of Operations (22.42) and in the Zone of the Interior (4.87), and those shown on p. 59 (22.49 and 4.80) are small and are the result of using the decimals to only the second place.
b. Gas patients.---Fig. 42 shows the number of patients for whom hospital beds must be provided in the Theater of Operations and the Zone of the Interior when 1.00 patient wounded by war gases per 1000 strength is admitted each day, and 9%, 6%, or 3% of such admissions are returned to the Zone of the Interior for further treatment. The method of calculating data for different percentages is the same as that shown by Table 3.
Fig. 42.*---Number of Theater of Operations patients from gas injuries in hospital in the Theater of Operations and Zone of the Interior, when certain percentages of the Theater of Operations admissions are sent to the Zone of the Interior.*NOTE: For basic formula see:
(a) Total patients in hospital, Fig. 87, (a), (1).
(b) Patients in hospital in the American Expeditionary Forces (T. of O.) only, when 9% are sent to the Zone of the Interior, Fig. 87, (b), (1).
(c) Patients in hospital in the American Expeditionary Forces (T. of O.) only, when 3% or 6% are sent to the Zone of the Interior, calculated from (a) and (b).
(d) Patients in hospital in Zone of the Interior only are the differences between total patients (a) and those in Theater of Operations (b) and (c).Fig. 43.*---Number of Theater of Operations patients from gunshot injuries in hospital in the Theater of Operations and Zone of the Interior, when certain percentages of the admissions are sent to the Zone of the Interior.
*NOTE: For basic formula see:
(a) Total patients in hospital, Fig. 88, (a), (1).
(b) Patients in hospital in A. E. F. (T. of O.) only, when 30% are sent to the Z. of I., Fig. 88, (b), (1).
(c) Patients in hospital in A. E. F. (T. of O.) only, when 10% or 20% are sent to Z. of I., calculated from (a) and (b).
(d) Patients in hospital in Z. of I., only are the differences between total patients (a) and those in T. of O., (b) and (c).
c. Gunshot patients.---In like manner Fig. 43 shows the number of gunshot patients for whom hospital beds must be provided in the Theater of Operations and Zone of the Interior, when 1.00 patient per 1000 strength is admitted each day, and when 30%, 20%, or 10% of all such admissions are sent to the Zone of the Interior. The data for other percentages to be sent to the Zone of the Interior can be calculated as shown by Table 3.
d. Total of Theater of Operations patients.---
(1) With constant rates and constant strength.---The following table shows: (1) the patients in hospital in the Theater of Operations and Zone of the Interior when the admissions from diseases and nonbattle injuries, gas, and gunshot injuries are each 1.00 per 1000 strength per day, and when 3%, 6%, and 20% respectively of each class of cases are sent to the Zone of the Interior; and (2) the same as above but with approximately the same admission rates as there were in the American Expeditionary Forces from July 1 to November 11, 1918.
Table 4. (1) Patients per 1000 Theater of Operations strength in hospital in the Theater of Operations and Zone of Interior when 1.00 per 1000 Theater of Operations strength is admitted each day from each cause, and the specified percentages are sent to the Zone of Interior.Table 4. (2) Patients per 1000 Theater of Operations strength in hospital in the Theater of Operations and Zone of the Interior when 1.65 from diseases and nonbattle injuries, .3148 from gas wounds and .6852 from gunshot wounds per 1000 Theater of Operations strength are admitted each day, (or approximately the same rates as occurred in the American Expeditionary Forces from July 1-November 11, 1918) and the specified percentages are sent to the Zone of the Interior.
Under the conditions as assumed, at the end of 360 days there would be 107.00 patients per 1000 strength in hospital in the Theater of Operations, and 14.77 in the Zone of the Interior, a total of 121.77. If 10% increase is allowed for dispersion of patients, the bed requirements would be 117.70 in Theater of Operations and 16.25 in the Zone of the Interior, a total of 133.95 per 1000, or 13.40%.
With a force of 1,900,000 men as there was in the American Expeditionary Forces, and under approximately such conditions as existed there from July 1 to November 11, 1918, the bed requirements at the end of a year, with a 10% dispersion factor for safety, would be 254,499, with 223,630 in the Theater of Operations and 30,869 in the Zone of the Interior.
If these same conditions had continued there would have been a slight though continued increase in the bed requirements after 360 days and until the 920th day, due to the prolonged treatment required for gunshot cases. On the 920th day, the total beds required would have been 107.59 in the Theater of Operations and 15.57 in the Zone of the Interior, or a total of 123.16 per 1000 Theater of Operations strength. With 10% increase for dispersion of patients these figures would have been 118.35 in the Theater of operations and 17.13 in the Zone of the Interior, or a total of 135.48 beds per 1000 strength.
Fig. 44.---Method of computing the total hospital patients to be expected in a Theater of Operations command under approximately the same conditions as there was in the American Expeditionary Forces in 1918, with a material increase in the strength each month, and where the daily admission rate to hospital only from diseases and nonbattle injuries was 1.65; from war gases, 0.24; and from gunshot missiles, 0.53 per 1000 strength.Fig. 45.---Method of computing for a command in the Theater of Operations the hospital patients to be treated in the Theater of Operations when: (a) There is an increasing strength; (b) admissions from both battle and nonbattle causes; (c) and certain percentages are sent to the Zone of the Interior for further treatment.
Fig. 46.---Method of computing the Theater of Operations hospital patients to be treated in the Zone of the Interior when certain percentages of patients are sent there from a command in the Theater of Operations, where there is an increasing strength, and where there are admissions from both battle and nonbattle causes with the same rates as there were in the American Expeditionary Forces in 1918.
With military combat of the same intensity as there was during the Meuse-Argonne offensive from September 26-November 11, 1918, when the admission rate (see Fig. 20) from gas was .45, from gunshot missiles 1.10, and from diseases and nonbattle injuries 1.65 per 1000 Theater of Operations strength, the number of beds required for Theater of Operations patients in the Theater of Operations and Zone of Interior at the end of 360 and 920 days when 3% of diseases and nonbattle injuries, 6% of gassed cases, and 20% of gunshot cases are sent to the Zone of Interior, would be as follows:
Table 5.---Beds required for Theater of Operations patients as per preceding paragraph.
(2) With constant rates but an increasing strength.---It will be necessary quite often to estimate the number of Theater of Operations patients to be hospitalized either there or in the Zone of the Interior when there is an increasing strength. The details of the method of computing the data, are shown by Figures 44, 45, and 46.
The method is the same as that outlined (supra) for Figure 25, the principal difference being that in Figures 44--46, there are three causes of admissions considered, whereas in Fig. 25 there is only one.
I. TOTAL HOSPITAL BEDS REQUIRED IN THE ZONE OF THE INTERIOR.
It has been estimated on page 18, that 6% of hospital beds should be provided in mobilization camps such as existed in the United States during 1918. The 30,869 Theater of Operations patients (see page 64) to be cared for on transports and in Zone of the Interior beds means 1.9% in terms of the strength in the United States in October, 1918. If we can assume that .4% are in transit, 1.5% remain to occupy Zone of Interior hospital beds, which raises the total required there to 7.5%.